保定市鏵正電氣公司是專業變比測試儀廠家,變壓器變比測試儀、變壓器直流電阻變比測試儀、全自動變比測試儀、變比組別測試儀、變壓器繞組變形測試儀等多種類型可供選擇。
直流電阻測試儀同變壓器變比測試儀一樣,都是會經常用到的一種電氣設備。掌握正確的接線方法,有利于我們更好的應用該種產品。保定直流電阻測試儀廠家以圖示的方法給大家講解保定直流電阻測試儀的接線方法。
三通道測量接線:(YN繞組的同時測量)接線

D繞組逐項測量:(D繞組各相的分別測量)D繞組接線

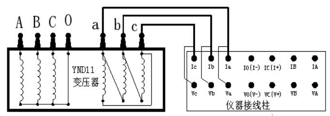
單通道直接測量接線:(YND11變壓器CO相測量)

Y繞組逐項測量:(Y繞組各相的分別測量)Y繞組接線

鐵芯五柱YND11變壓器助磁測量接線:(可選項和逐項助磁測量低壓繞組)

對于鐵芯五柱YND11變壓器助磁測量手動接線:可以依照圖的外接線方法接線采用單通道方法進行測量。

特別提醒:直流電阻測試儀在實際的測試工作中,需要根據實際的被試品來進行相應的接線工作,電力工作者在操作過程之前,需要熟讀產品操作說明書,并嚴格按照說明書進行操作。
本文標簽:直流電阻測試儀接線方法
本文保定直流電阻測試儀接線方法圖示:http://www.bdhuanzheng.com/news_detail-17.html是由保定鏵正電氣公司小編整理發布,如需轉載我公司文章,請保留本文網址,謝謝!
免責聲明:我公司部分文章信息來源于網絡,本網站只負責對文章進行整理、排版、編輯,如本站文章和轉稿涉及版權等問題,請作者在及時聯系本站,我們會盡快處理。
相關新聞 / RELATED NEWS
13731499206